Делаем баскетбольное кольцо с сеткой
Основой для изготовления самодельного кольца может послужить полоса металла сечением 40х4 мм, трубка диаметром 15-20 мм или спортивный обруч. Полосу нетрудно изогнуть, используя предмет большого диаметра в качестве оправки. Для изгиба обычной стальной трубки потребуется трубогиб. Проще всего вырезать нужный сегмент из обруча и скрепить концы вновь.
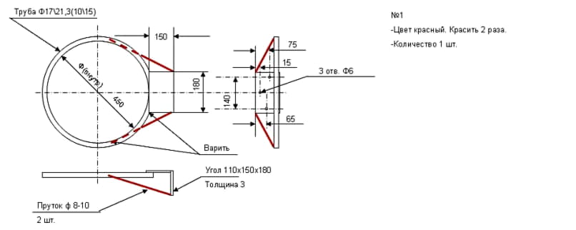
Для упрощения задачи в домашних условиях концы кольца можно прикрутить саморезами к деревянному бруску, который несложно закрепить уже к щиту. Кольцо следует окрасить в несколько слоев атмосферостойкой эмалью красного цвета. Чертежи кольца по стандарту представлены на следующем фото.

Сетку на кольце нередко считают излишним элементом. Однако она предназначена для сброса мяча в определенном направлении и для серьезной игры необходима. Сетку можно связать из шпагата и закрепить через 12 отверстий, которые необходимо равномерно просверлить по диаметру кольца.
Более правильно приварить к кольцу ряд петелек из проволоки. В крайнем случае, отрезки веревки можно закрепить по периметру кольца петлями, а затем перевязать их между собой, чтобы получилась сетка. Простейший пример изготовления сетки своими руками смотрите в следующем видео.
Отличия баскетбола от стритбола
Стритбол — игра, которую называют уличным баскетболом. Он появился позже, в 50 годах XX века, имеет много общего с баскетболом, иногда ошибочно считается его разновидностью. Однако существует ряд отличий:
- В стритболе используется только одно кольцо.
- Размер площадки для этой игры вполовину меньше баскетбольной.
- Меньшее количество участников в команде (3 на 3).
- Турниры проводятся под открытым небом.

Фото 1. Две небольшие команды играют в уличный баскетбол под открытым небом, с одним кольцом.
Присутствуют различия в правилах:
- Ограниченное время на атаку (12 секунд).
- Малая длительность тайма.
- Начисление командных очков.
Несмотря на это, навыки для игры в баскетбол и стритбол приблизительно одинаковые. Используются одни и те же мячи и кольца. Не имеют отличий и стандарты креплений, разметка поля.
Установка креплений
Когда краска высохнет, мощными саморезами или болтами прикрепите к щиту заранее изготовленную корзину, с задней стороны конструкции установите подходящие стальные кронштейны.
Вдвоем с помощником водрузите щит на опору и надежным образом зафиксируйте его положение. Помните, что нижняя линяя щита должна находиться на высоте 2,9 метра от земли, а кольцо на расстоянии 3,05 метра от земли и 0,15 метров от нижнего края щита.
О том, как сделать баскетбольное кольцо своими руками, читайте в .
Баскетбол — игра, главной целью которой является попасть максимальное количество раз
мячом в кольцо соперника. Профессиональные соревнования проходят на крытых площадках с идеальной поверхностью.
Игровое поле размечено линиями и зонами
, а с обеих сторон площадки установлены конструкции со щитами и прикреплёнными к ним корзинами.
Размер площадки, толщину линий разметки, параметры щита и высоту крепления кольца регламентируют ФИБА — Международная федерация баскетбола и НБА — Национальная ассоциация баскетбола.
Особенности конструкции кольца

Баскетбольное кольцо — один из основных атрибутов игры
. Именно в него жаждет попасть мячом каждый баскетболист.
Представляет собой обод, к которому крепится сетка, и эта конструкция впоследствии устанавливается на щит с определённой высотой. Существует несколько видов
баскетбольных колец.
Недорогим вариантом будет обычное жёсткое.
Такие, как правило, изготавливаются из износостойких материалов (например, прочная сталь).
Их можно увидеть на придомовых площадках для семейного отдыха, на уличных баскетбольных полях, в школьных и вузовских залах. А вот на профессиональных турнирах используется фиксированное
, которое представляет собой жёсткую конструкцию, способную амортизировать (пружинить).
Внимание!
Амортизация — важная функция. Так как на соревнованиях в залах и на уличных турнирах спортсмены любят показывать всевозможные трюки, в том числе повисая на нём, фиксированное кольцо с амортизацией полностью оправдывает свою стоимость
На какой высоте от пола находится корзина в баскетболе: стандарты
Стандарты баскетбольного кольца регламентируются правилами ФИБА
, ведь именно под эгидой этой федерации проходят все международные соревнования, в том числе и Чемпионат мира по баскетболу.

Фото 1. Баскетбольное кольцо, изготовленное из твердой стали, и щит, установленные на уличной площадке.
Вот некоторые требования федерации к кольцу для профессиональных соревнований:
- Изготавливается из твёрдой стали.
Внутренний диаметр 45-45,9 см.
- Толщина прута 16-20 мм.
- Цвет оранжевый.
- Имеет 12 отверстий для крепления сетки.
- Гладкое, безопасное, без сколов, вмятин и прочих дефектов.
- Зазор между крепёжным устройством и кольцом не более 8 мм
(чтобы пальцы спортсменов не могли туда попасть). - Любое усилие, переданное на кольцо и корзину, не должно полностью передаваться на щит
(это опасно для игроков, которые могут повиснуть на ободе и опрокинуть на себя всю конструкцию). - Верхний край расположен над уровнем площадки на высоте 305 см.
Допускается расхождение в значениях на 6 мм
максимум. Кольцо располагается чётко посередине щита на одинаковом расстоянии от его вертикальных краёв. - Если кольцо имеет свойство амортизировать, то обязательно испытывается на прочность перед тем, как попадёт в эксплуатацию.
Справка!
Оно не должно отрываться под воздействием статической нагрузки 82-105 кг.
На каком расстоянии расположен баскетбольный щит для игры?
Параметры баскетбольного щита, на который крепится корзина, также подчинены определённым требованиям.

Он изготавливается либо из монолитного закалённого стекла
, либо из твёрдых пород дерева
. Представляет собой прямоугольник с размерами 1,8 х 1,05 м,
толщиной не менее 3 см.
По регламенту ФИБА, расхождение в длине щита — максимум 30 мм
, в ширине — 20 мм.
На нём имеются разметки.
Если материал — прозрачное стекло, то разметки наносятся белой краской, в остальных случаях — чёрной.
Ширина линий — 50 мм.
Границы щита выделяются ограничивающей линией, которая образует прямоугольник.
Верхний край основания прямоугольника находится на одном уровне с кольцом и на 15 — 15,2 см
выше нижнего края щита.
Щит устанавливается на опору таким образом, чтобы его нижний край располагался на расстоянии 2,75-2,9 метра
над уровнем игрового поля от пола.
Важно!
Профессиональные баскетбольные соревнования проводятся преимущественно на специально оборудованных крытых площадках. Высота потолков там от 7 м
, в некоторых — от 12 м.
Исходя из этого, были разработаны и стандарты установки кольца и щита над уровнем площадки
Для любительских соревнований и для школьных игр необязательно строго соблюдать эти требования
, так как не всегда удаётся подобрать зал с соответствующей высотой потолков
Поэтому не так важно, на каком расстоянии находится кольцо
И зрители должны общаться на одном языке
Важно помнить, что любое касание
баскетбольной линии является ее пересечением.
Ширина баскетбольной линии составляет 50 мм
и должна быть выполнена одним цветом, желательно белым (особенно актуально для мультизалов и универсальных спортивных комплексов).
Какие бывают размеры площадок и спортивных залов для игры в баскетбол
Есть несколько типов площадок для игры в баскетбол.
Общедоступного пользования

Поля для любительских игр могут иметь стандартные параметры (28 х 15 м) либо немного отличаться по размерам.
Так, школьные и университетские площадки — 12—15 м в ширину и 21—28 м в длину.
Параметры игровой зоны для мини-баскетбола (для детей до 12 лет) — 17 х 12 м.
Размер стритбольного поля равен половине баскетбольного — 15 х 14 м или даже 14 х 9 м.
Внимание! Большинство площадок для общедоступного пользования имеют параметры 26 х 14 м, но длина не должна превышать 30 м, а ширина — 18 м
Для официальных турниров
Такие поля подчиняются строгим требованиям ассоциации. Главными условиями являются параметры игровой зоны и покрытие. Стандартные размеры — 28 х 15 м. В залах на профессиональных турнирах покрытие проверяется на наличие сколов и выпуклостей. Так как баскетболисты довольно быстро передвигаются по полю, дефекты покрытия могут привести к серьёзным травмам: ушибам, растяжениям, переломам.
Игровое поле обязательно должно быть прямоугольной формы с чёткой разметкой, хорошо освещённым со всех сторон. Разметка наносится краской одного цвета (белого или жёлтого) и имеет в ширину не менее 50 мм.

Фото 2. Крытая баскетбольная площадка для официальных турниров. Поле покрыто паркетом, вокруг располагаются трибуны.
Требования, предъявляемые к щиту
Необходимо соблюдать следующие нормы:
- Размер 1,8 х 1,05 м.

- Прочный материал (монолитное ударопрочное стекло или твёрдые породы дерева).
- Поверхность, не отражающая свет.
- Разметка чёткая, не менее 50 мм шириной.
- Хорошее закрепление на опоре.
В целом при выборе баскетбольного щита необходимо ориентироваться на потребности команды или отдельных спортсменов.
Все зависит от того, для каких игр будет использоваться этот щит: на уличной площадке или для семейных развлечений на придомовой территории, для мини-баскетбола или профессиональных турниров взрослых команд.
Внимание! Главное, что следует учитывать — прочность конструкции, ведь некоторые игроки во время броска повисают на кольце. Плохо установленная опора или неправильно закреплённый щит и корзина могут нанести серьёзный вред здоровью баскетболиста
Сетка для баскетбола
(рис. 169). Сетку для баскетбола можно плести из тесьмы, шпагата, веревки, толстых ниток. Тесьму или нитки сначала разрезают на отрезки. Длина каждого отрезка должна быть в четыре раза больше длины сетки. Количество отрезков определяют так: измеряют кольцо, предназначенное для сетки, и полученную величину делят на четыре.

1 — общий вид сетки; 2 — закрепление отрезков шнура на кольце; 3 — связывание концов узлом; 4 — образование ячеек; 5 — плетение сетки с помощью шаблонки.
Плетение сетки начинается с закрепления отрезков на кольце. Для этого один конец отрезка продевается в кольцо и уравнивается с другим концом (рис. 169 (2). Затем оба конца связываются узлом. Так на кольце закрепляются, на равном расстоянии друг от друга, все отрезки (рис. 169(3). В последующих рядах концы отрезков завязываются узлами попарно, причем один конец берется от одного узла, а другой — от другого (рис. 169 (4). В результате получаются дырочки, которые в плетении называются ячейками. Так плетут сетку до требуемого размера. Затем концы отрезков подравнивают на расстоянии 5—6 сантиметров от последних узлов. Чтобы сетка имела красивый вид и правильную форму, ячейки следует делать одинакового размера. Плести сетку можно с помощью шаблонки (линейки или брусочка), сделанной по размеру ячейки. Шаблонку подкладывают между двумя отрезками тесьмы, укладывают по ней тесьму и завязывают узел (рис. 169 (5).
Особенности различных конструкций
Особенности есть у каждой стойки.
Передвижной
Главная особенность — возможность транспортировки и достаточно быстрой установки для игры. Для установки такой стойки потребуется всего 1—2 человека и 15 минут времени.

Мобильная стойка бывает складной или сборочно-разборочной, на колёсах и без колёс (сразу на опоре).
Кроме того, существует весомое различие (которое сильно отражается на цене) в самой конструкции (она обеспечивает устойчивость).
Гидравлический механизм, телескопическая тяга для фиксации стрелы, противовесы, атмосферостойкая эмаль — все эти дополнительные особенности сильно отражаться на цене, за счёт высокого качества.
И цена варьируется от 10 000 и свыше 100 000. Такие стойки можно использовать как на улице, так и в зале.
Детский игровой щит для дома
Такой щит может и вовсе не иметь стойки, а крепиться сразу к стене. Он гораздо меньше щитов, используемых в спортзале и профессиональном баскетболе.

Дешевле остальных вариантов и его с лёгкостью можно сделать своими руками.
В детском баскетболе размер щита 120х90 см и крепится на высоте 230 см от площадки. Выступает от начала площадки на 60 см.
Разметка и величина кольца аналогичны стандартным. За счёт небольших размеров, стоимость всего 300 р.
Тренировочный для спортзала
Строго отвечает всем требованиям FIBA или NBA, поскольку предназначен для проведения профессиональных игр и соревнований. Цена зависит от материала.
Покраска и разметка
- В 2-3 слоя с обеих сторон окрасьте щит белой водостойкой краской.
- Карандашом разметьте на лицевой поверхности конструкции контуры прямоугольника над кольцом, который служит направляющей при выполнении бросков. Для этого на расстоянии 15 см от нижней кромки проведите параллельную ей линию, найдите ее середину и отложите от нее в обе стороны отрезки длиной 29,5 см. Концы отрезков будут нижними углами прямоугольника-мишени. Параллельно боковым кромкам щита отмерьте от нижних углов вверх по 45 см. Полученные точки будут верхними углами прямоугольника.
- Соедините их последовательно и прорисуйте карандашные линии красной водостойкой краской. Краску наносите 5-сантиметровой фланцевой кистью таким образом, чтобы разметка ограничивала внешние стороны рамки прямоугольника.
- Таким же образом обведите красной краской наружные кромки щита.
Как выбрать место для площадки для игры в баскетбол
К этому необходимо ответственно подойти, не забывать, что это место для баскетбола будет постоянно использоваться и на нем будут играть в мяч. Поэтому следует сразу выбрать участок, который находится вдалеке от дома и огорода. В зависимости от почвы и грунтовых вод нельзя располагать баскетбольную площадку в таких местах:
- возле водоемов — при попадании туда мяча могут травмироваться декоративные растения в пруду или дети, весело играющие в бассейне;
- на склонах. Все спортивные площадки подразумевают идеально ровную поверхность для правильной игры;
- в низине. После многочисленных осадков утопленная площадка может долго сохнуть, и поэтому ее использование будет непродолжительным;
- на участке с близлежащим расположением грунтовых вод. Изменение почвы в межсезонье может отразиться на крепеже и фиксации спортивных снарядов — стойки с баскетбольной корзиной. Она может перекоситься.
Способы крепления
Для обеспечения безопасности членов команд, тренеров, судей и зрителей конструкции должны правильно закрепляться. Экран монтируется исключительно на механизмы из железа с соблюдением размеров и разметки.
Существует два наиболее часто используемых способа крепления:
- с амортизатором, представляющим из себя специальный элемент, который способен частично или полностью предотвратить колебательные и ударные движения. За счет специальных пружин кольцо не подвержено деформации в процессе состязания. Крепление подобного вида способно выдерживать нагрузку до 100 килограммов;
- жесткое закрепление, в рамках которого стойки надежно фиксируются в полу, что исключает падение или сдвиг конструкции.
Прочность крепежных элементов в обязательном порядке проверяется специальными инструментами. Ненадежно закрепленные части способны нанести травмы в процессе соревнования. Не допускается прямой контакт кольца и экрана, поскольку это может повлечь появление внешнего давления, разрушающего конструкцию.
Крепление сетки
К сетке предъявляются следующие требования:
- ее прикрепляют к окружности корзины в 12ти местах, строго следя за отсутствием острых краев или сколов. Данная процедура необходима для обеспечения безопасности членов команд;
- длина составляет от 40 до 45 сантиметров;
- материалом сетки служит жесткий шнур белого цвета;
- верхняя часть производится таким образом, чтобы предотвратить забрасывание сетки на кольцо, запутывание или застревание мяча.
В зависимости от уровня состязания – любительское или профессиональное – предъявляются и требования к сетке:
- наиболее часто используются сетки из капрона и нейлона. Нейлон отличается повышенной прочностью и износостойкостью, поэтому часто применяется в профессиональных соревнованиях;
- диаметр подбирается исходя из диаметра кольца и мяча;
- в профессиональном баскетболе используются сети из толстых нитей повышенной прочности, для любителей же подходят более хрупкие и тонкие;
- тип крепления может быть узловым или безузловым. Первый способ наиболее распространен, в то время как второй более эстетичен и способен успешно поглощать удары мяча.
Заключение
Баскетбол — травматичная игра. Спортсмены получают травмы, не только сталкиваясь на площадке, падая, ударяясь об мяч. Так как игра зрелищная и азартная, атлеты часто демонстрируют яркие трюки, например, повисают на кольце. Конструкция, на которую устанавливается щит, должна соответствовать нормам безопасности, как и сам экран.
Щит из оргстекла лёгкий, чтобы не утяжелять опору, на которую он крепится и крепкий, чтобы выдержать нагрузки в виде веса спортсмена или удара мяча. Даже если такой экран разобьётся, он не нанесёт сильного ущерба покрытию корта и не травмирует игроков, находящихся на площадке.
Итоги
Какое же кольцо лучше, самодельное или покупное. Тут однозначного ответа нет. Самодельное изделие выполняет спортивные функции и эстетически приятнее для членов семьи и друзьям изготовителя.

Даже если внешне оно немного более неказистое, чем магазинное. Кроме того, самодельное рассчитывается на определённые нагрузки. Тогда как магазинное изделие, неизвестно сколько провисит в условиях жёсткой эксплуатации.
С другой стороны, качественное, дорогое, кольцо со щитом, произведённое на заводе с соблюдением всех размеров и ГОСТов, в ручном исполнении, неповторимо. Так что выбирать должны непосредственно игроки.






























